

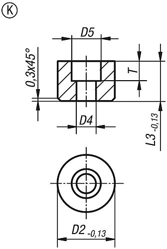
GRIPPERS UND EINSÄTZE RUND MIT SENKBOHRUNG D2=25, L3=12, FORM:K PL PLAN, POM ...
Artikelnummer:4059245139057
EAN:4059245139057
Hersteller ID:K0385.125129
FormK
Ursprungs-LandUS
Material GrundkörperPOM
L3=Höhe12
Material Aufnahme-/AuflageflächePOM
D2=Durchmesser25
BefestigungsartSenkbohrung

